ОСНОВНЫЕ ПАРАМЕТРЫ
Персональная кнопка вызова для каждого абонента.
Видеоконтроль обстановки перед телекамерой блока вызова.
Параллельная работа до 2-х блоков вызова.
Работа с пультом консьержа.
Связь “Консьерж - Посетитель” по инициативе консьержа.
Подсветка кнопок вызова и именных табличек.
Автоматическая компенсация сопротивления линии, повышающая устойчивость разговорного тракта.
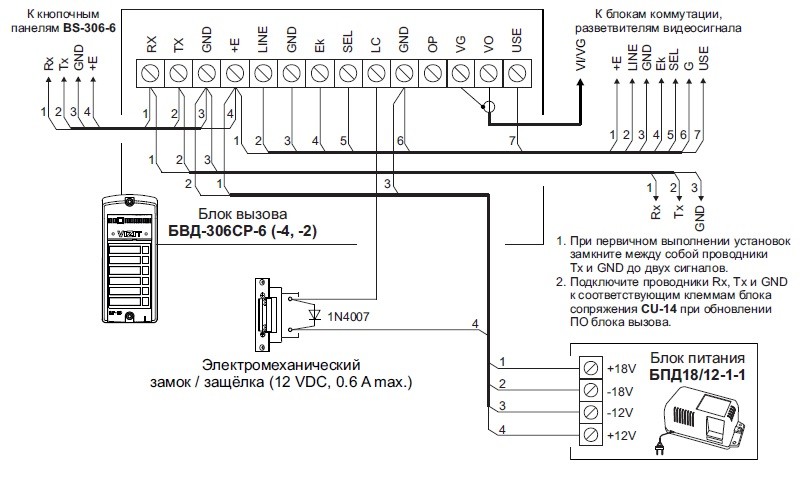
Возможность обновления ПО на объекте (с использованием блока сопряжения CU-14).
Для покупки товара в нашем интернет-магазине выберите понравившийся товар и добавьте его в корзину. Далее перейдите в Корзину и нажмите на «Оформить заказ» или «Быстрый заказ».
Когда оформляете быстрый заказ, напишите ФИО, телефон и e-mail. Вам перезвонит менеджер и уточнит условия заказа. По результатам разговора вам придет подтверждение оформления товара на почту или через СМС. Теперь останется только ждать доставки и радоваться новой покупке.
Оформление заказа в стандартном режиме выглядит следующим образом. Заполняете полностью форму по последовательным этапам: адрес, способ доставки, оплаты, данные о себе. Советуем в комментарии к заказу написать информацию, которая поможет курьеру вас найти. Нажмите кнопку «Оформить заказ».
