Амиком
600+ брендов 70 000 позиций
Каталог
По всему сайту
По каталогу
Каталог
Акции
Как купить
Компания
О компании
Новости
Стать партнёром
Вакансии
Техподдержка
Контакты
Подобрать комплект
Отправить ТЗ
+7 495 120 06 86
Заказать звонок
Задать вопрос
Войти
  • Корзина0
  • Избранные товары0
  • Сравнение товаров0
sale@ami-com.ru
Москва, площадь Журавлева, д. 2, стр.2
  • Вконтакте
  • Telegram
  • Rutube
  • Яндекс.Дзен
Амиком
600+ брендов 70 000 позиций
+7 495 120 06 86
Заказать звонок
Пн — Пт 9:30 — 18:00 (мск)
Войти
Физ. лицо Юр. лицо
Сравнение0
Избранные товары 0
Корзина 0
Каталог
Видеонаблюдение
СКУД
Шкафы, Стойки и Компонтенты СКС
Монтажные Материалы
Домофоны и Переговорные Устройства
Источники Питания
Кабельная Продукция
Сетевое Оборудование
ОПС
Взрывозащищенное Оборудование
Системы Оповещения и Музыкальной Трансляции
Умный Дом
Средства Пожаротушения
    • Камеры видеонаблюдения
      • IP камеры видеонаблюдения
      • Камеры видеонаблюдения HD
      • Тепловизионные камеры
      • Аналоговые камеры видеонаблюдения
    • Видеорегистраторы для видеонаблюдения
      • HD Видеорегистраторы
      • IP Видеорегистраторы
      • Видеорегистраторы для траспорта
    • Кронштейны и Крепления
    • Устройства Обработки и Передачи
      • Ethernet, PoE
      • Видео Сигнал
      • HDMI Сигнал
      • RS232, RS485 Сигналы
      • Устройства Грозозащиты
      • USB, Клавиатура, Мышь, ИК управление
      • Аудио Сигнал
    • Программное обеспечение для видеонаблюдения
    • Кожухи
      • Дополнительное Оборудование для Кожухов
    • Дополнительное Оборудование Видеонаблюдения
    • Объективы
    • Мониторы для Видеонаблюдения
    • Микрофоны
    • Жесткие Диски и Карты памяти
    • Клавиатуры и Пульты
    • IP Видеосерверы
    • Видеостены
    • Тестовое Оборудование
      • Тестеры для CCTV
      • Тестеры IP-видеосистем
      • Тестеры для CCTV с Сетевыми Функциями
    • Прожекторы ИК
    • Комплекты Видеонаблюдения
    • Муляжи Видеокамер
    • Видеомодули
    • Блоки питания для систем видеонаблюдения
    • Системы видеоаналитики
    • Дополнительное Оборудование СКУД
    • Замки и Защелки
      • Электромагнитные Замки
      • Доп. оборудование к замкам и защелкам
      • Электромеханические Замки
      • Уголки к Электромагнитным Замкам
      • Защелки
      • Механические Замки
    • Турникеты
    • Считыватели
      • Сетевые Считыватели
      • Автономные Считыватели
    • Биометрические СКУД
    • Идентификаторы
    • Автоматика для ворот
    • Программное Обеспечение для СКУД
    • Шлагбаумы
      • Дополнительное оборудование к Шлагбаумам
    • Контроллеры
      • Сетевые Контроллеры
      • Автономные Контроллеры
    • Калитки и ограждения
    • Кнопки Выхода
    • Доводчики
    • Металлодетекторы
      • Арочные Металлодетекторы
      • Ручные Металлодетекторы
    • Комплекты СКУД
    • Картоприемники
    • Кодовые Панели
    • Детекторы взрывчатых веществ
    • Антикражное Оборудование
    • Принтеры для Печати на Пластиковых Картах
    • Алкотестеры
    • Патч Корды
    • Шкафы Телекоммуникационные
      • Шкафы Телекоммуникационные Напольные
      • Шкафы Телекоммуникационные Настенные
    • Аксессуары для Шкафов
    • Аксессуары СКС
    • Термошкафы
    • Оптические Панели и Аксессуары
    • Патч Панели
    • Шкафы Электрические
    • Крепежные Изделия
    • Расходные Материалы
    • Кабель Канал и Аксессуары
    • Коммутационные Изделия
    • Коробки Монтажные
    • Труба Гофрированная
    • Металлорукав
    • Разъемы и переходники
    • Монтажные Инструменты
    • Лотки Кабельные и Аксессуары
    • Труба Гладкая
    • Пневмоинструменты
      • Компрессоры пневматические
      • Пневматические наборы
    • Ручные инструменты
      • Киянки
      • Молотки
    • Электроинструменты
      • Дрели
      • Заточные станки (точила)
      • Измерительные инструменты
      • Рубанки
      • УШМ (Болгарки)
    • Мониторы Домофонов
    • Вызывные Панели к Видеодомофонам
    • Дополнительное Оборудование Домофонов
    • IP-Домофония
    • Комплект Видеодомофонов
    • Переговорные Устройства
    • Аудиодомофоны и абоненские устройства
    • Домофоны Многоабонентные (Подъездные)
    • Интерфоны, Интрекомы
    • Модули Сопряжения
    • Вызывные Панели к Аудиодомофонам
    • Бесперебойные Источники Питания
    • Аккумуляторы и Термостаты
    • Стабилизированные Источники Питания
    • Дополнительное Оборудование к Источникам Питания
    • ИБП 220В (UPS)
    • Стабилизаторы Напряжения
    • Устройства Защиты от Скачков Напряжения
    • Преобразователи Напряжения
    • Солнечные батареи
    • ИБП RACK для 19" стойки
    • Батарейки
    • Кабель Волоконно-Оптический
    • Кабель Витая Пара
    • Кабель для Охранно-Пожарных Систем
    • Кабель Силовой
    • Кабель Комбинированный
    • Кабель Коаксиальный, Радиочастотный
    • Кабель Акустический
    • Кабель Для Интерфейса RS-485
    • Кабель Телефонный
    • Кабель для программирования радиостанций
    • Кабель Саморегулирующийся греющий
    • Сетевые Коммутаторы
    • Инжекторы и Сплиттеры PoE
    • Роутеры и Точки Доступа
    • Сетевые Хранилища
    • Дополнительное сетевое оборудование
    • Медиаконвертеры
    • Оповещатели
      • Оповещатели Звуковые
      • Оповещатели Комбинированные
      • Оповещатели Световые
      • Табло
    • Интегрированные Системы
      • Продукция Компании Орион (Болид)
      • Продукция Компании Рубеж
    • Приборы Приемно-Контрольные
      • Приборы Приемно-Контрольные Охранно-Пожарные
    • Извещатели Охранные для Помещений
      • Извещатели Комбинированные
      • Извещатели Вибрационные и Емкостные
      • Извещатели Тревожной Сигнализации
      • Извещатели Магнитоконтактные
      • Извещатели Оптико-Электронные Пассивные
      • Извещатели Звуковые (акустические)
      • Извещатели Оптико-Электронные Активные
      • Инфракрасные Выключатели Освещения
    • Дополнительное оборудование ОПС
    • Извещатели Охранные для Наружной Установки
      • Извещатели Охраны Периметра Объемные Радиоволновые
      • Извещатели Охраны Периметра ИК-пассивные
      • Извещатели Охраны Периметра Линейные ИК-активные
    • Извещатели Аварийные
      • Извещатели Утечки Газа
      • Извещатели утечки воды
    • Радиоканальные системы ОПС
    • GSM Сигнализация
    • Извещатели Пожарные
      • Извещатели Дымовые
      • Извещатели Линейные Тепловые (термокабель)
      • Извещатели Ручные
      • Извещатели Тепловые Максимальные
      • Извещатели Пламени
    • Программное Обеспечение для ОПС
    • Системы Передачи Извещений
    • Антенны
      • Антенные Кабели, Аксессуары
    • Системы Видеонаблюдения Взрывозащищенные
    • Аксессуары для Термошкафов Взрывозащищенных
    • УЗИПы Устройства защиты
    • Аксессуары для термокожухов и видеокамер
    • Термокожухи
    • Источники Питания Взрывозащищенные
    • Узлы коммутации всепогодные
    • Дополнительное оборудование взрывозащиты
    • Узлы систем видеонаблюдения и регистрации
    • Коробки монтажные взрывозащищенные
    • Барьеры Искрозащиты
    • Извещатели Аварийные Взрывозащищенные
    • Извещатели Охранные Взрывозащищенные
    • Извещатели Пожарные Взрывозащищенные
    • Изделия Коммутационные Взрывозащищенные
    • Модули Пожаротушения Взрывозащищенные
    • Оборудование СКУД Взрывозащищенное
    • Оповещатели Взрывозащищенные
    • Приборы Приемно-Контрольные Взрывозащищенные
    • Система ОПС Взрывоопасных Объектов "Ладога-Ex"
    • Коммутаторы Взрывозащищенные
    • Громкоговорители
    • Аксессуары Систем Оповещения и Музыкальной Трансляции
    • Усилители
    • Переферийные Устройства
    • Микрофоны для Оповещения и Музыкальной Трансляции
    • Моноблочные Системы Оповещения
    • Встраиваемые Модули
    • Мегафоны
    • Шкафы Пожарные
    • Вентили Пожарные
    • Знаки и Плакаты Пожарной Безопасности и Охраны Труда
    • Изделия Коммутационные для Средств Пожаротушения
    • Модули Пожаротушения Тонкораспыленной Водой
    • Модули Порошковые
    • Оборудование для Газового Пожаротушения
    • Огнетушители
    • Пожаротушение для 19" Шкафов
    • Сигнально-Осветительные Приборы
    • Средства защиты и спасения
    • Стволы Пожарные
    • Щиты Пожарные
Акции
Как купить
Компания
  • О компании
  • Новости
  • Стать партнёром
  • Вакансии
  • Техподдержка
  • Контакты
Подобрать комплект
Отправить ТЗ
+  ЕЩЕ
    Амиком
    Каталог
    Акции
    Как купить
    Компания
    • О компании
    • Новости
    • Стать партнёром
    • Вакансии
    • Техподдержка
    • Контакты
    Подобрать комплект
    Отправить ТЗ
    +  ЕЩЕ
      Физ. лицо Юр. лицо
      Сравнение0
      Избранные товары 0
      Корзина 0
      Амиком
      Сравнение0 Избранные товары 0 Корзина 0
      Телефоны
      +7 495 120 06 86
      • Каталог
      • Акции
      • Как купить
      • Компания
        • Назад
        • Компания
        • О компании
        • Новости
        • Стать партнёром
        • Вакансии
        • Техподдержка
        • Контакты
      • Подобрать комплект
      • Отправить ТЗ
      • Личный кабинет
      • Корзина0
      • Избранные товары0
      • Сравнение товаров0
      • +7 (495) 120-06-86
      Контактная информация
      Москва, площадь Журавлева, д. 2, стр.2
      sale@ami-com.ru
      • Вконтакте
      • Telegram
      • Rutube
      • Яндекс.Дзен

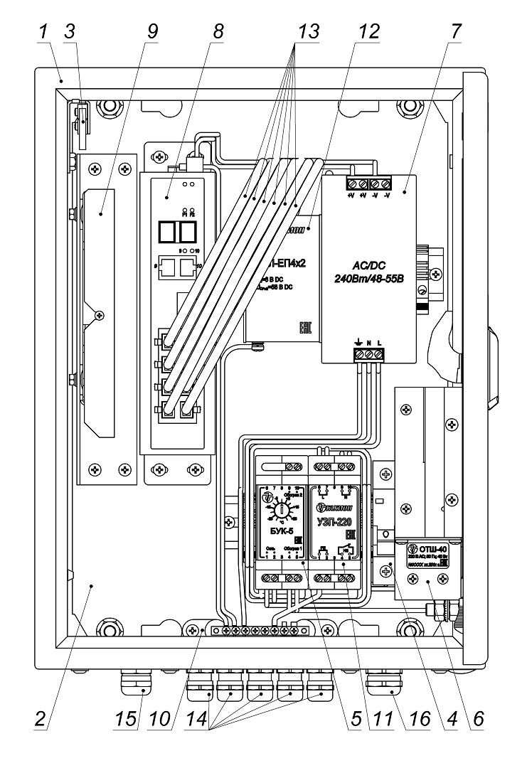
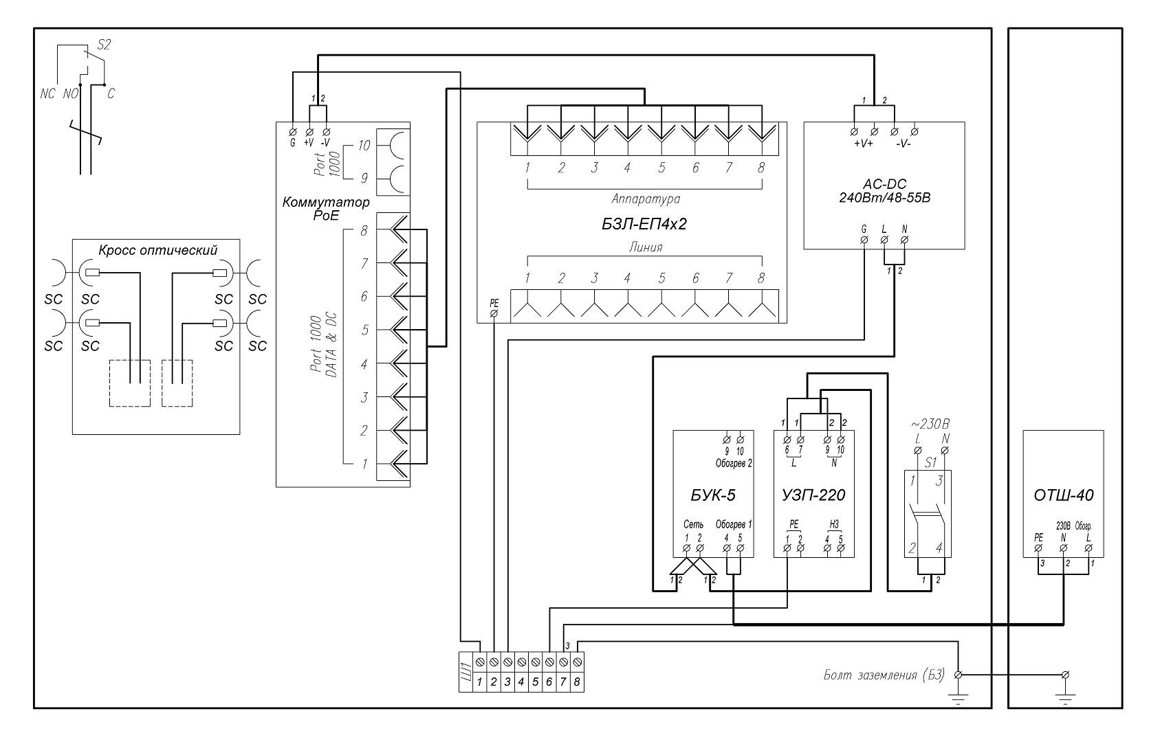
      ВУК-28-РоЕ+ У11 У81 (58020) Тахион Узлы коммутации всепогодные

      Главная
      —
      Каталог
      —
      Взрывозащищенное Оборудование
      ВидеонаблюдениеСКУДШкафы, Стойки и Компонтенты СКСМонтажные МатериалыДомофоны и Переговорные УстройстваИсточники ПитанияКабельная ПродукцияСетевое ОборудованиеОПССистемы Оповещения и Музыкальной ТрансляцииУмный ДомСредства Пожаротушения
      —
      Узлы коммутации всепогодные
      Системы Видеонаблюдения ВзрывозащищенныеАксессуары для Термошкафов ВзрывозащищенныхУЗИПы Устройства защитыАксессуары для термокожухов и видеокамерТермокожухиИсточники Питания ВзрывозащищенныеДополнительное оборудование взрывозащитыУзлы систем видеонаблюдения и регистрацииКоробки монтажные взрывозащищенныеБарьеры ИскрозащитыИзвещатели Аварийные ВзрывозащищенныеИзвещатели Охранные ВзрывозащищенныеИзвещатели Пожарные ВзрывозащищенныеИзделия Коммутационные ВзрывозащищенныеМодули Пожаротушения ВзрывозащищенныеОборудование СКУД ВзрывозащищенноеОповещатели ВзрывозащищенныеПриборы Приемно-Контрольные ВзрывозащищенныеСистема ОПС Взрывоопасных Объектов "Ладога-Ex"Коммутаторы Взрывозащищенные
      —ВУК-28-РоЕ+ У11 У81 (58020) Тахион Узлы коммутации всепогодные
      Артикул: АГ5072946
      Тахион
      ВУК-28-РоЕ+ У11 У81  (58020)
      Розничная цена
      114 660 ₽
      Варианты цен
      114 660 ₽
      Подробности
      Оптовая цена
      По запросу
      Нашли дешевле?
      Уточнить наличие у менеджера
      Заказ в 1 клик
      В корзинуВ корзине
      Самовывоз сегодня - бесплатно
      Подробнее о доставке
      Окончательная стоимость будет согласована менеджером после обработки вашей заявки
      • Описание
      • Отзывы
      • Как купить
      • Характеристики
      • Документация
      ОСНОВНЫЕ ПАРАМЕТРЫ:

      Тип устройства: Коммутатор гигабитный управляемый
      Монтаж: Уличное исполнение
      LAN порты 100/1000 Мбит, шт.: 0/8
      Напряжение питания, В: 220 AC
      SFP порты, шт.: 2
      Потребляемая мощность, Вт: 290
      Из них LAN порты с PoE, шт.: 8
      Диапазон рабочих температур, °С: -60…+50
      Мощность РоЕ, на порт/суммарная, Вт.: 30/230
      Габаритные размеры, мм: 300х300х210
      Оставить отзыв

      Для покупки товара в нашем интернет-магазине выберите понравившийся товар и добавьте его в корзину. Далее перейдите в Корзину и нажмите на «Оформить заказ» или «Быстрый заказ».

      Когда оформляете быстрый заказ, напишите ФИО, телефон и e-mail. Вам перезвонит менеджер и уточнит условия заказа. По результатам разговора вам придет подтверждение оформления товара на почту или через СМС. Теперь останется только ждать доставки и радоваться новой покупке.

      Оформление заказа в стандартном режиме выглядит следующим образом. Заполняете полностью форму по последовательным этапам: адрес, способ доставки, оплаты, данные о себе. Советуем в комментарии к заказу написать информацию, которая поможет курьеру вас найти. Нажмите кнопку «Оформить заказ».

      Характеристики товара

      Бренд Тахион
      По умолчанию 2
      Сертификат ВУК-28-РоЕ+ У11 У81
      Чертеж ВУК-28-РоЕ+ У11 У81
      Схема подключения ВУК-28-РоЕ+ У11 У81
      Паспорт ВУК-28-РоЕ+ У11 У81

      Похожие товары

      ВУК-48У-РоЕ+ Р2 У11 У81 (58026)
      ВУК-48У-РоЕ+ Р2 У11 У81 (58026) Тахион Узлы коммутации всепогодные
      Арт.: АГ5072953
      160 440 ₽
      В корзинуВ корзине
      В корзинуВ корзине
      ВУК-48-РоЕ+ Р2 У11 У81 (58025)
      ВУК-48-РоЕ+ Р2 У11 У81 (58025) Тахион Узлы коммутации всепогодные
      Арт.: АГ5072952
      141 330 ₽
      В корзинуВ корзине
      В корзинуВ корзине
      ВУК-38У-РоЕ+ Р2 (58011)
      ВУК-38У-РоЕ+ Р2 (58011) Тахион Узлы коммутации всепогодные
      Арт.: АГ5072951
      132 720 ₽
      В корзинуВ корзине
      В корзинуВ корзине
      ВУК-38-РоЕ+ Р2 (58010)
      ВУК-38-РоЕ+ Р2 (58010) Тахион Узлы коммутации всепогодные
      Арт.: АГ5072950
      113 820 ₽
      В корзинуВ корзине
      В корзинуВ корзине
      ВУК-34-РоЕ+ Р2 У11 У71 (58009)
      ВУК-34-РоЕ+ Р2 У11 У71 (58009) Тахион Узлы коммутации всепогодные
      Арт.: АГ5072949
      96 915 ₽
      В корзинуВ корзине
      В корзинуВ корзине
      ВУК-34-РоЕ+ Р2 (58008)
      ВУК-34-РоЕ+ Р2 (58008) Тахион Узлы коммутации всепогодные
      Арт.: АГ5072948
      82 425 ₽
      В корзинуВ корзине
      В корзинуВ корзине
      ВУК-28У-РоЕ+ У11 У81 (58021)
      ВУК-28У-РоЕ+ У11 У81 (58021) Тахион Узлы коммутации всепогодные
      Арт.: АГ5072947
      134 715 ₽
      В корзинуВ корзине
      В корзинуВ корзине
      ВУК-24-РоЕ+ Р1 У11 У71 (58005)
      ВУК-24-РоЕ+ Р1 У11 У71 (58005) Тахион Узлы коммутации всепогодные
      Арт.: АГ5072945
      94 080 ₽
      В корзинуВ корзине
      В корзинуВ корзине
      ВУК-18У-РоЕ+ (58004)
      ВУК-18У-РоЕ+ (58004) Тахион Узлы коммутации всепогодные
      Арт.: АГ5072944
      110 040 ₽
      В корзинуВ корзине
      В корзинуВ корзине
      ВУК-18-РоЕ+ (58003)
      ВУК-18-РоЕ+ (58003) Тахион Узлы коммутации всепогодные
      Арт.: АГ5072943
      91 140 ₽
      В корзинуВ корзине
      В корзинуВ корзине
      Розничная цена
      114 660 ₽
      Варианты цен
      114 660 ₽
      Подробности
      Оптовая цена
      По запросу
      Нашли дешевле?
      Уточнить наличие у менеджера
      Заказ в 1 клик
      В корзинуВ корзине
      Самовывоз сегодня - бесплатно
      Подробнее о доставке
      Окончательная стоимость будет согласована менеджером после обработки вашей заявки
      Тахион
      Все товары категории
      Все товары бренда Тахион

      Нужна консультация?

      Наши специалисты ответят на любой интересующий вопрос
      Задать вопрос

      Этот сайт использует файлы "cookie" с целью персонализации сервисов и повышения удобства пользования вэб-сайтом. Если Вы не хотите, чтобы Ваши пользовательские данные обрабатывались, пожалуйста, ограничьте их использование в своём браузере.

      Каталог
      Монтаж оборудования
      Акции
      Прайсы
      Бренды
      Подобрать комплект
      Отправить ТЗ
      Компания "Амиком"
      Новости
      Наши клиенты
      Вакансии
      Контакты
      Стать партнёром
      О компании
      Полезная информация
      Документация
      Возврат и обмен
      Доставка
      Гарантия
      Политика конфиденциальности
      Карта сайта
      Глоссарий
      Согласие на обработку персональных данных
      Подписаться на рассылку
      +7 495 120 06 86
      sale@ami-com.ru
      Москва, площадь Журавлева, д. 2, стр.2
      Присоединяйтесь к нам в социальных сетях!
      • Telegram
      • Вконтакте
      • VK Видео
      • Rutube
      • Яндекс.Дзен
      Обращаем Ваше внимание, что вся информация, размещенная на данном интернет-сайте, носит информационный характер и не является публичной офертой, определяемой положениями Статьи 437 (2) ГК РФ.
      2006-2026 © Амиком. Системы безопасности
      Каталог
      По всему сайту
      По каталогу